

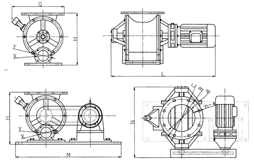
压力范围:2kg/cm2系统压力或压差. 入口/出口:入口为圆形与料仓或管道连接,出口侧置,结构紧凑,安装方便,适用于高压气体对物料的输送. 设置排气口:将叶轮旋转带出的高压气体,通过排气口送至排气装置排出,提高物料的填充率. 驱动方式:链驱动为主,根据空间也可选用马达直连驱动. 轴承外侧布置:防止粉尘侵入轴承;增大设备适应温度的使用范围. 动力配置:摆线针轮减速机,Y系列电机[特殊动力按需方要求配制]. 材质:不锈钢系列.

|
型号 |
外形及安装联接尺寸(mm) |
工作
温度
℃ |
转速转/分 |
电机功率KW |
|
A
(DN) |
B |
C |
D |
E |
H |
Q
~ |
L
~ |
M
~ |
N
~ |
n-¢ |
|
|
8L |
200 |
280 |
320 |
80 |
110 |
385 |
470 |
780 |
790 |
530 |
8-¢18 |
<250 |
24 |
0.75 |
|
14L |
|